首页
公司简介
产品展示
资料下载
选型原理
使用必读
联系我们
咨询电话
13604347369
高精度自调式分流集流阀
导航
高精度自调式分流集流阀
产品分类
可调式分流集流阀
3FJLK-B10-50 板式连接
3FJLK-L10-50 螺纹连接
自调式分流集流阀
3FJLZ-L2-16 螺纹连接
3FJLZ-B2-16 板式连接
3FJLZ-L10-50 螺纹连接
3FJLZ-B10-50 板式连接
3FJLZ-L30-160 螺纹连接
3FJLZ-B30-160 板式连接
3FJLZ-L60-200 螺纹连接
3FJLZ-B60-200 板式连接
3FJLZ-L100-320 螺纹连接
3FJLZ-B100-320 板式连接
固定式分流集流阀
3FJLG-B3,5,6,8,10,15,20,25 板式连接
3FJLG-L3,5,6,8,10,15,20,25 螺纹连接
高精度自调式分流集流阀
3FJLGZ-L2-16 螺纹连接
3FJLGZ-B2-16 板式连接
3FJLGZ-L10-50 螺纹连接
3FJLGZ-B10-50 板式连接
FJL系列分流集流阀
FJL-B10H 15H 20H 板式连接
FJL-L10H 15H 20H 螺纹连接
咨询电话
13604347369
欢迎来电咨询,手机号微信同步
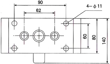
高精度自调式分流集流阀
高精度自调式分流集流阀
流量:10L-50L/min 压力:31.5MPa
高精度自调式分流集流阀
流量:10L-50L/min 压力:31.5MPa
四平市三林液压有限公司
吉林省四平市铁东区平东大路118号
13604347369
www.spslyy.com
slyy@spslyy.com
链接
网站首页
公司简介
产品展示
资料下载
选型原理
使用必读
立即咨询
COPYRIGHT © 2021 四平市三林液压有限公司 版权所有
吉ICP备17004064号-1
技术支持:
中诺科技
网络宽带:
中诺云
四平市三林液压有限公司
版权所有
吉ICP备17004064号-1
网站设计:
中诺科技
网络宽带:
中诺云
首页
返回
电话
咨询
首页
公司简介
产品展示
可调式分流集流阀
自调式分流集流阀
固定式分流集流阀
高精度自调式分流集流阀
FJL系列分流集流阀
资料下载
选型原理
使用必读
联系我们
新闻动态